TSEC/KW-7 Cabinet Info

Motivation - gathering info that might be useful in fabricating a KW-7 look-alike for museum, etc. display
Note: there were three types of front covers: plain (patch cords), small bulge (patch cords), large bulge (card reader)

KWF-1 Rack slide-tilt mounting - installation info  - 
kw7-dimen-02.jpg (580120 bytes)
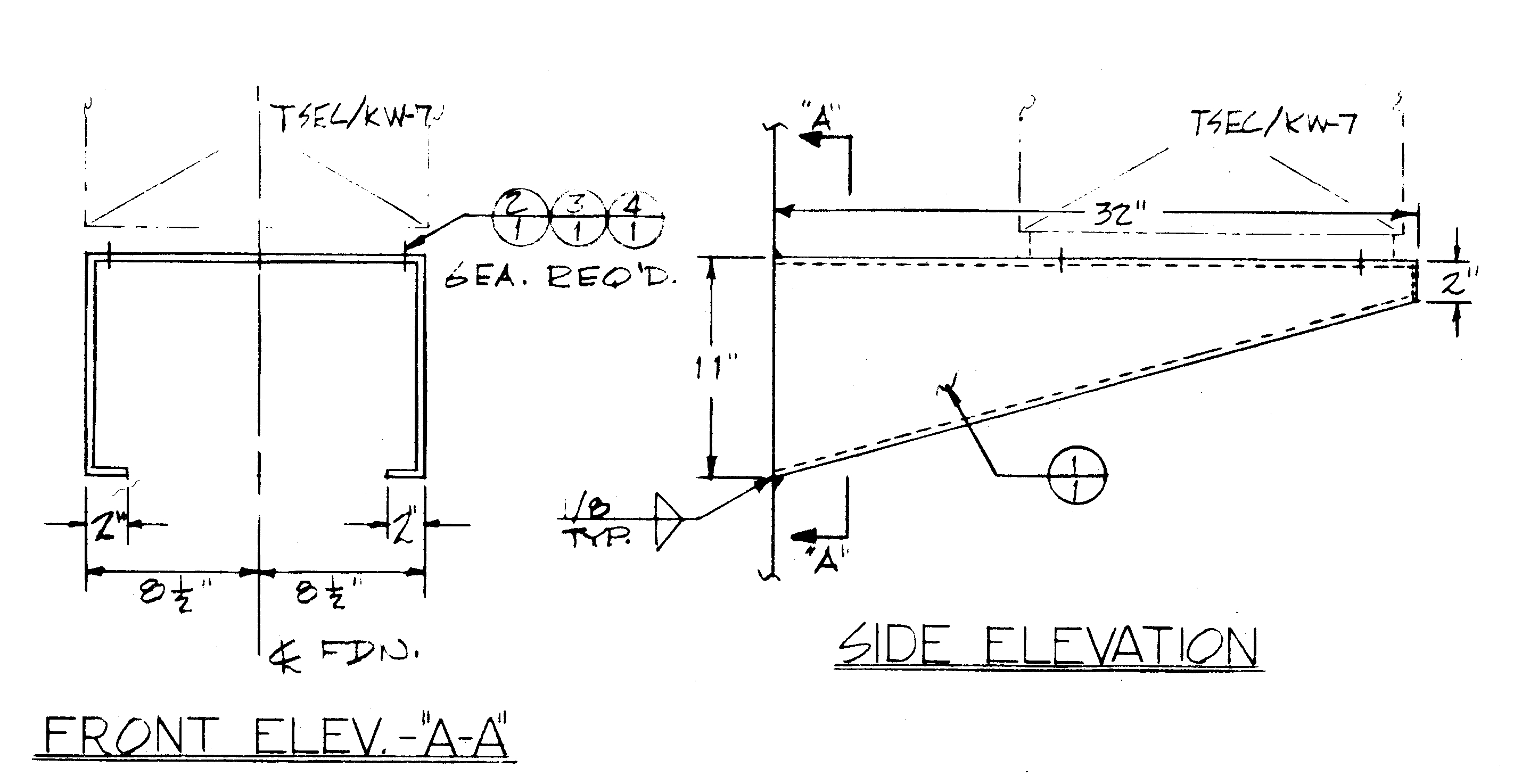
Shelf mounting
kw7-dimen-03.jpg (395524 bytes)
==
kw7-28122391875_f04178187d_o.jpg (4570390 bytes) kw7-27507309053_f37fd179cf_o.jpg (4666896 bytes) kw7-27841849570_419b155723_o.jpg (4379884 bytes) kw7-28122357345_20edca96aa_o.jpg (4801867 bytes)
KW7_front_1145.jpg (3062610 bytes) KW7_front_1146.jpg (3335650 bytes) KW7_open_1147.jpg (3526688 bytes) KW7_open_1148.jpg (3571399 bytes)
KW7_open_1149.jpg (3366149 bytes) KW7_rear_1143.jpg (3371424 bytes) KW7_rear_1144.jpg (3240719 bytes) kw7_rear_conn_closeup_2008_09.jpg (131569 bytes)

kw7-nsa-01.jpg (428060 bytes)

KW7_top.jpg (2572709 bytes) Card reader cover
kw7-01.jpg (69141 bytes)
Patch cord cover
kw7-61.jpg (20622 bytes)

From the KW-7 manual - early version without a "bulge" in the patch cord cover -
This early style KW-7 is 11-9/32 inches high, 15-21/64 inches wide, 14-13/16 inches deep and weighs 74.0 pounds

front view - top cover removed
kw7-dimen-04.jpg (848214 bytes)
top view
kw7-dimen-05.jpg (997900 bytes)
rear view
kw7-dimen-06.jpg (1258186 bytes)
filter section
kw7-dimen-07.jpg (1337630 bytes)
cover removed
kw7-dimen-08.jpg (1140908 bytes)
bottom view
kw7-dimen-09.jpg (1132069 bytes)
power supply top view - cover removed
kw7-dimen-11.jpg (497264 bytes)

Paint - I think this is the same as USN electronic equipment - color number 26307 of FED-STD-595 Semi-gloss DTM alkyd enamel
- See FED-STD-595C 26307
https://www.myperfectcolor. com/paint/29446-us-government- fed-std-595c-26307

Rustoleum Light Machine Gray is very close.