Navy Receiver SSB Converters

AN/URA-42
AN/URA-42A

ura42-01.JPG (63130 bytes)

C-4071/UR
CV-1288/UR

455 kc IF (for R-390A, etc.)
ISB with electronic AFC

replaces CV-157/URR

 

TMC SBC-9 - Spec sheet
TMC SBS-1 + AFC-2

ura42-111.jpg (9832 bytes)

ura42-101.jpg (16188 bytes)

ura42-112.jpg (13298 bytes)

ura42-102.jpg (17603 bytes)

C-4099/FRR-60(V)
CV-1293/FRR-60(V)

cv1293-1501-04.jpg (131227 bytes)
C-4099/FRR-60(V)
CV-1293/FRR-60(V)
cv1293-1501-02.jpg (162078 bytes)
1750 kc (for AN/FRR-60)
ISB with electronic AFC
cv1293-1501-01.jpg (285080 bytes)
TMC AFC-3 + SBS-2
cv1293-1501-03.jpg (146830 bytes)

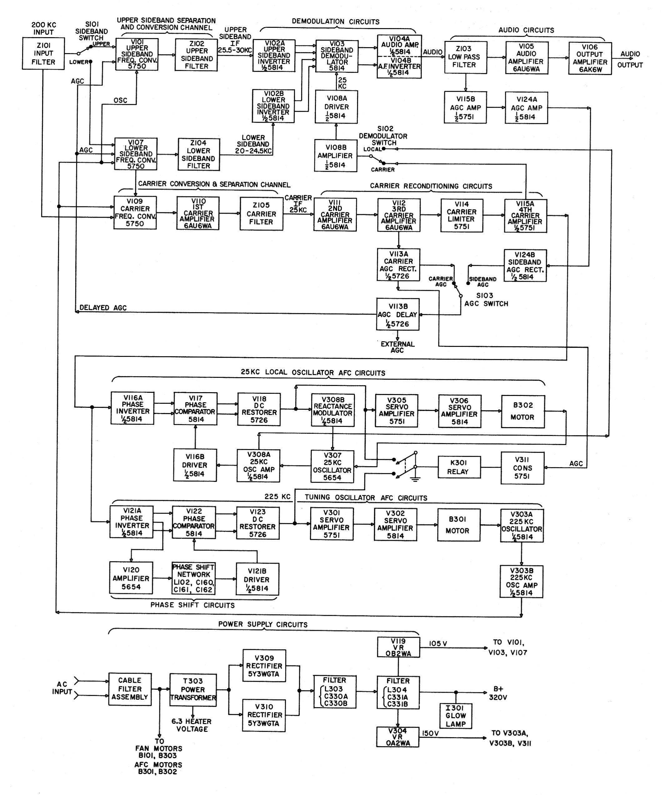
CV-157/URR

cv157-01.jpg (74927 bytes)

455 kc IF
44 tubes, 105 lbs
ISB with electromechanical AFC
Hoffman design
manuf by Hoffman and others
(not Collins)

Signal Corps equipment but used by USN

TM 11-266

online thanks to W5OR

article in Electric Radio magazine Feb 2001 p10

CV-216/URR

cv216-man-06.JPG (266926 bytes)
cv216-man-07.JPG (342271 bytes)

200 kc IF SSB adapter
with motor drive AFC
manuf by National

cv216-urr-spec-01.JPG (196934 bytes) cv216-urr-spec-02.JPG (126685 bytes) NAVSHIPS 92456 
download 21 MB pdf

cv216-man-02.JPG (488865 bytes)

cv216-man-01.JPG (72933 bytes) cv216-man-03.JPG (721557 bytes) cv216-man-04.JPG (782762 bytes) cv216-man-05.JPG (648096 bytes)

CV-591/URR

cv591-104.jpg (20033 bytes)

cv591-106.jpg (36279 bytes)

455 kc IF

cv591-102.jpg (58585 bytes)

TMC MSR-1 (CV-591)

cv591-103.jpg (76590 bytes)

NAVSHIPS 93112 (CV-591)

cv591-105.jpg (64057 bytes)

CV-591A/URR

cv591-03.jpg (41813 bytes)

455 kc IF

cv591-01.jpg (38235 bytes)

TMC MSR-4 (CV-591A)

cv591-02.jpg (107995 bytes)

NAVSHIPS 93210 (CV-591A)

0967-LP-051-2010

online thanks to K4OZY

also here thanks to W6GER

 

CV-657/URR
CV-657A/URR

cv657a-02.JPG (8341 bytes)

200 kc IF
otherwise like CV-591
cv657a-01.JPG (8057 bytes)
TMC MSR-3
TMC MSR-3A

cv657a-1308-06.JPG (171577 bytes)

NAVSHIPS 93210
online thanks to K4OZY

cv657a-1308-07.JPG (179811 bytes)

cv657a-1308-01.JPG (220810 bytes) cv657a-1308-02.JPG (335558 bytes) cv657a-1308-03.JPG (283080 bytes) cv657a-1308-04.JPG (255551 bytes)
cv657a-1308-05.JPG (205688 bytes) cv657a-1308-08.JPG (238810 bytes) cv657a-1308-09.JPG (208325 bytes) cv657a-1308-10.JPG (215230 bytes)
cv657a-1306-01.jpg (149506 bytes) cv657a-1306-02.jpg (168151 bytes) cv657a-1306-03.jpg (174054 bytes) cv657a-1306-04.jpg (226443 bytes)

CV-1722/URR

cv1722-urr-01.jpg (17954 bytes)

455 kc IF
similar to CV-591
cv1722-urr-03.jpg (19112 bytes)
TMC MSR-5?

cv1722-urr-02.jpg (15219 bytes)

need manual info

CV-1758/URR

cv1758-101.jpg (31335 bytes)

455 kc IF
similar to CV-591
cv1758-102.jpg (50773 bytes)
TMC MSR-9

cv1758-103.jpg (43122 bytes)

online thanks to K4OZY

CV-2712/UR

cv2712-ur-02.JPG (445548 bytes)

download manual (20 MB pdf)

455 kc IF
ISB with electronic AFC
replacement for CV-157/URR
cv2712-ur-01.JPG (361104 bytes)

cv2712-ur-03.JPG (639699 bytes) cv2712-ur-04.JPG (476807 bytes)

cv2712-ur-05.JPG (595659 bytes)

cv2712-ur-06.JPG (460399 bytes) cv2712-ur-07.JPG (464060 bytes) cv2712-ur-08.JPG (415968 bytes)

MX-2840/URR

mx2840-urr-61.jpg (9777 bytes)

455kc IF
AM detector & AF amp

mx2840-urr-62.jpg (10806 bytes)

mx2840-urr-63.jpg (20589 bytes) -

Mars Electronics - model RC-288A SSB converter (ISB with electromechanical AFC). 
Replacement for CV-157/URR. Was there ever a military version of this??? Price in 1963 - a mere $2825.00
Also badged as Radiomarine CRM-3A.     Manual - thanks to W5JV

mars-07.jpg (168549 bytes) mars-12.JPG (164457 bytes) mars-11.JPG (220113 bytes) mars-ssb-6311.JPG (103561 bytes)
mars-09.jpg (159670 bytes) mars-08.jpg (164360 bytes) mars-10.JPG (169902 bytes) Radiomarine CRM-R3A version
CRM-R3A-Photo.jpg (303798 bytes)